Поиск по марке и модели
-
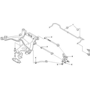
Автомобиль: NISSAN BLUEBIRD, JAPAN, U13, 1991.09 - 1995.11
Чтобы исключить ошибку подбора, проверьте применяемость по VIN‑номеру, либо обратитесь за консультацией к специалисту.
-
-
1
480 ₽ / упак. -
1
428 ₽ / упак. -
2
2-01-427 Полиуретановая втулка стабилизатора, передней подвески I.D. = 28 мм
В упаковке: 2 шт. На авто: 2 шт.Подробнее4WD.SR20DE +SR20DET 9109-
484 ₽ / упак. -
2
2-01-593 Полиуретановая втулка стабилизатора, передней подвески I.D. = 26 мм
В упаковке: 2 шт. На авто: 2 шт.Подробнее4WD.SR18DE +4WD.CD20 9109-
346 ₽ / упак. -
2
2-01-605 Полиуретановая втулка стабилизатора, передней подвески I.D. = 19 мм
В упаковке: 2 шт. На авто: 2 шт.Подробнее2WD.SR18DE 9109-9410 2WD.SR20DE 9109-9308 *SR18DE.(SSS+SSSV).(MT+AT) +*K.SR18DE 9109-9308 *K.SR18DE 9208-9308 2WD.SR20DE +KA24DE 9308-9410 2WD.SR18DE +2WD.SR20DE +K.CD20.MT +CD20.EEXL.MT +CD20.AT +KA24DE 9410-
496 ₽ / упак. -
2
2-01-629 Полиуретановая втулка стабилизатора, передней подвески I.D. = 18 мм
В упаковке: 2 шт. На авто: 2 шт.Подробнее2WD.CD20 9109-9308 K.CD20.MT +CD20.EEXL.MT +CD20.AT 9308-9410
384 ₽ / упак. -
3 Не производится -
3 Не производится -
4 Не производится -
4 Не производится
-
-
-
1
2-01-051 Полиуретановая втулка стабилизатора, задней подвески I.D. = 15 мм
В упаковке: 2 шт. На авто: 2 шт.Подробнее*SR18DE.(SSS+SSSV).(MT+AT) +*K.SR18DE 9109-9308 2WD.SR20DE 9109-9308 *2WD.SR18DE 9308-9501 2WD.SR20DE +KA24DE 9308- *2WD.SR18DE 9308-
684 ₽ / упак. -
1
2-01-663 Полиуретановая втулка стабилизатора, задней подвески I.D. = 14 мм
В упаковке: 2 шт. На авто: 2 шт.Подробнее4WD.SR18DE +4WD.SR20DE +4WD.CD20 9109-9308 2WD.SR18DE +2WD.CD20 9109-9308 2WD.SR18DE +K.CD20.MT +CD20.EEXL.MT +CD20.AT 9308-
318 ₽ / упак. -
1
2-01-922 Полиуретановая втулка стабилизатора, задней подвески I.D. = 16 мм
В упаковке: 2 шт. На авто: 2 шт.Подробнее*SR20DE.SSSG.(MT+AT) 9109-9308 SR20DET 9109- *SR20DE.SSSG.(MT+AT) 9308-
364 ₽ / упак. -
2 Не производится -
2 Не производится -
3 Не производится -
3 Не производится -
3 Не производится -
4 Не производится -
4 Не производится -
5 Не производится -
5 Не производится -
5 Не производится -
6 Не производится -
6 Не производится -
6 Не производится
-
-
-
1
2-01-051 Полиуретановая втулка стабилизатора, задней подвески I.D. = 15 мм
В упаковке: 2 шт. На авто: 2 шт.Подробнее*SR18DE.(SSS+SSSV).(MT+AT) +*K.SR18DE 9109-9308 2WD.SR20DE 9109-9308 *2WD.SR18DE 9308-9501 2WD.SR20DE +KA24DE 9308- *2WD.SR18DE 9308-
684 ₽ / упак. -
1
2-01-663 Полиуретановая втулка стабилизатора, задней подвески I.D. = 14 мм
В упаковке: 2 шт. На авто: 2 шт.Подробнее4WD.SR18DE +4WD.SR20DE +4WD.CD20 9109-9308 2WD.SR18DE +2WD.CD20 9109-9308 2WD.SR18DE +K.CD20.MT +CD20.EEXL.MT +CD20.AT 9308-
318 ₽ / упак. -
1
2-01-922 Полиуретановая втулка стабилизатора, задней подвески I.D. = 16 мм
В упаковке: 2 шт. На авто: 2 шт.Подробнее*SR20DE.SSSG.(MT+AT) 9109-9308 SR20DET 9109- *SR20DE.SSSG.(MT+AT) 9308-
364 ₽ / упак. -
2 Не производится -
2 Не производится -
3 Не производится -
3 Не производится -
3 Не производится -
4 Не производится -
4 Не производится -
5 Не производится -
5 Не производится -
5 Не производится -
6 Не производится -
6 Не производится -
6 Не производится
-
-