Поиск по марке и модели
-
Автомобиль: TOYOTA CALDINA, JAPAN, CT190, 1992.11 - 1997.08
Чтобы исключить ошибку подбора, проверьте применяемость по VIN‑номеру, либо обратитесь за консультацией к специалисту.
-
-
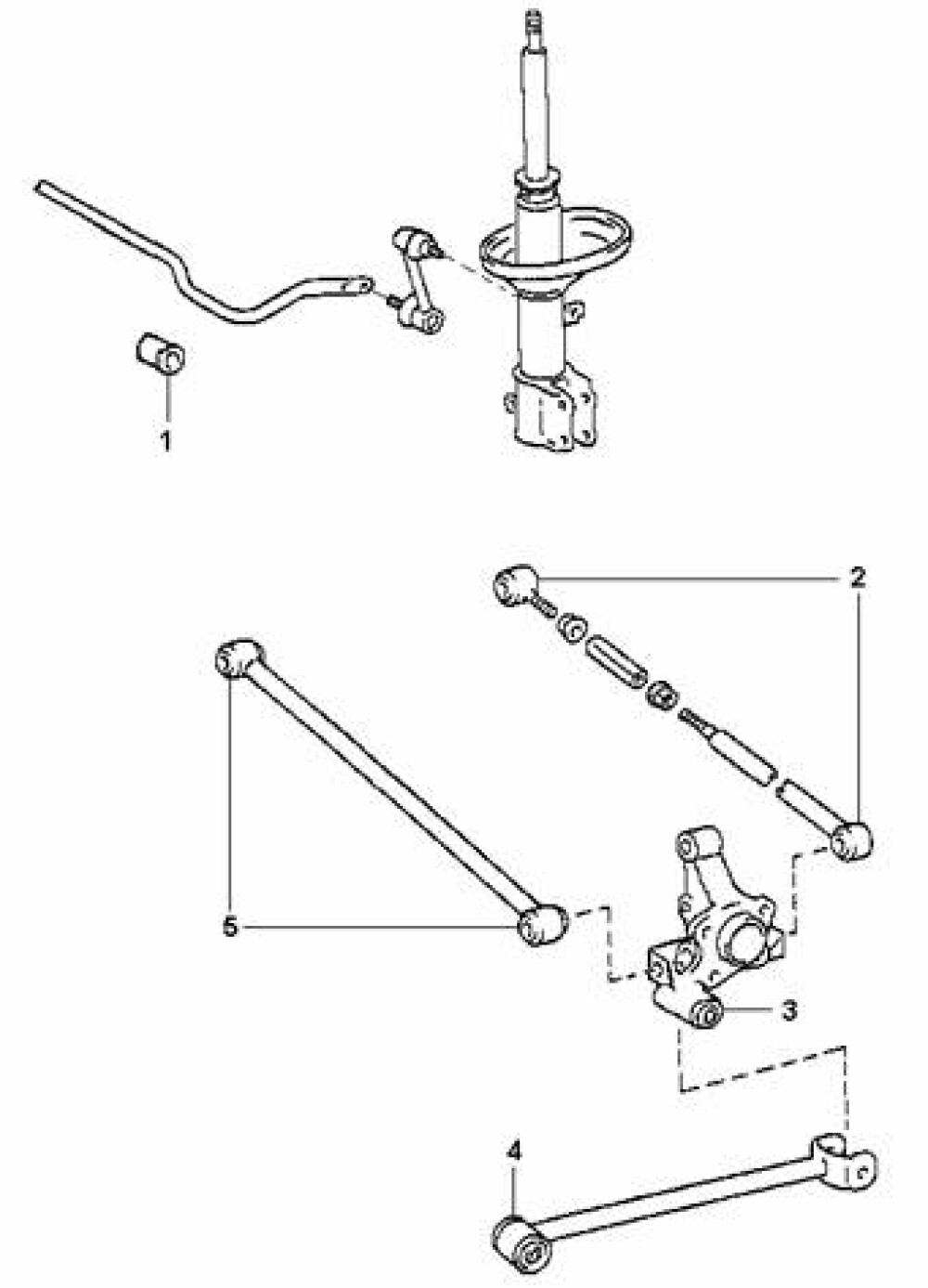
1
578 ₽ / упак. -
1
1-01-137 Полиуретановая втулка стабилизатора, задней подвески I.D. = 20 мм
В упаковке: 2 шт. На авто: 2 шт.510 ₽ / упак. -
2
1-06-133 Полиуретановый сайлентблок передней подвески, нижнего рычага, передний
В упаковке: 1 шт. На авто: 2 шт.1 138 ₽ / упак. -
2
1-06-4083 Полиуретановый сайлентблок передней подвески, нижнего рычага, передний (сборный)
Аналоги: В упаковке: 1 шт. На авто: 2 шт.646 ₽ / упак. -
2
1-06-4083B Сайлентблок передней подвески, нижнего рычага, передний (сборный)
В упаковке: 1 шт. На авто: 2 шт.ПодробнееFrom 1996.01
580 ₽ / упак. -
2
1-06-420 Полиуретановый сайлентблок передней подвески, нижнего рычага, передний
В упаковке: 1 шт. На авто: 2 шт.768 ₽ / упак. -
3
1-06-225 Полиуретановый сайлентблок передней подвески, нижнего рычага, задний
В упаковке: 1 шт. На авто: 2 шт.1 477 ₽ / упак. -
3
1-06-709 Полиуретановый сайлентблок передней подвески, нижнего рычага, задний
В упаковке: 1 шт. На авто: 2 шт.1 230 ₽ / упак.
-
-
-
1
1-01-192 Полиуретановая втулка стабилизатора, задней подвески I.D. = 13 мм
В упаковке: 2 шт. На авто: 2 шт.814 ₽ / упак. -
1
1-01-193 Полиуретановая втулка стабилизатора, задней подвески I.D. = 14 мм
В упаковке: 2 шт. На авто: 2 шт.700 ₽ / упак. -
2
1-06-712 Полиуретановый сайлентблок задней подвески, передней поперечной тяги задней подвески поперечный рычаг, регулируемый
В упаковке: 1 шт. На авто: 4 шт.862 ₽ / упак. -
2
1-06-790 Полиуретановый сайлентблок задней подвески, поперечной тяги, регулируемой
В упаковке: 1 шт. На авто: 8 шт.1 043 ₽ / упак. -
3
1-06-127 Полиуретановый сайлентблок задней подвески, ступицы, крепление продольного рычага
В упаковке: 1 шт. На авто: 2 шт.1 167 ₽ / упак. -
4
1-06-081 Полиуретановый сайлентблок задней подвески, продольной тяги
В упаковке: 1 шт. На авто: 2 шт.1 171 ₽ / упак. -
5
1-06-790 Полиуретановый сайлентблок задней подвески, поперечной тяги, регулируемой
В упаковке: 1 шт. На авто: 8 шт.1 043 ₽ / упак. -
5
1-06-978 Полиуретановый сайлентблок задней подвески, поперечной тяги, нерегулируемой
В упаковке: 1 шт. На авто: 4 шт.854 ₽ / упак.
-
-
-
1
1 595 ₽ / упак. -
2 Не производится
-
-